| Sign In | Join Free | My tjskl.org.cn |
|
Brand Name : Dowis
Model Number : EFD20, EFD Series
Certification : CE, UL, RoHs, ISO9001, 16949
Place of Origin : CN
MOQ : 1000pcs
Payment Terms : T/T, L/C
Delivery Time : 3-4Weeks
Packaging Details : Carton Box
Model : DW6990
input : 90V~265V
Bobbin Shape : vertical type
Operation frequency : 45kHz-400KHz
Output power : 1 to 60 W
Keyword : power distribution transformer
EFD20 Planar Power Transformer Manufacturer Customized DW6990
EFD20 transformer
High efficiency, high quality materials.
Low working temperature and long service life.
Good insulation and high resistance to electric power.
Good anti-interference performance and high reliability.
Low energy consumption and high dc superposition.
1. Drawing (Unit: mm)

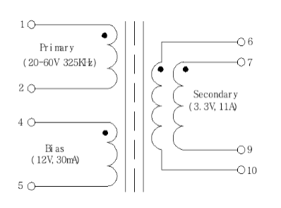
2. Schematic Diagram

3. Process of Winding
| No. | Winding | Terminals | Wire | Remarks | Number of turns | Insulation turns | |
| Start | End | ||||||
| 1 | Primary | 1 | 2 | 1UEWF ∮0.40mm*1 | Tightly wind a layer | 30 | 2 |
| 2 | Second | 6,7 | 9,10 | 1UEWF ∮0.45mm*4 | Tightly wind a layer | 5 | 2 |
| 3 | Bias | 4 | 5 | 1UEWF ∮0.40mm*1 | Tightly wind a layer | 17 | 3 |
4. Electrical Characteristics
| ITEMS | TERMINALS | SPECIFICATIONS | CONDITIONS | APPARATUS |
| Inductance | 1-2 | 120uH±10% | 100KHz,0.1Vrms | HP-4284A |
| Leakage Inductance | 1-2 | 3.0uH MAX (Shorted 4+5+6+7+9+10) | 100KHz,0.1Vrms | HP-4284A |
| Resistance | 1-2 | 150mΩ MAX | DC-25℃ | TH-2512 |
| 4-5 | 110mΩ MAX | |||
| 6,7-9,10 | 7.5mΩ MAX | |||
| Turns ratio | Pri:Sec | 1:0.167 | 20KHz,1Vrms | |
| Pri:Bias | 1:0.57 | |||
| Hi-Pot | Pri&bias to sec | AC 1500Vrms | 5mA,1minute |
Shenzhen Dowis Electronics Co., Ltd. is a professional manufacturer of electronic transformers, inductors, and filters integrating R&D, production, and sales. It is a national high-tech enterprise and has passed the IATF16949:2016 automotive industry quality management system certification, the product has passed the "UL""CQC" and other safety certifications. The products are widely used in communication equipment, new energy vehicles, industrial control equipment, high-power LED drives and other market areas. The industry has high visibility. In addition to the domestic market, but also exported to many countries in Europe and the United States.
In order to further expand production capacity, it has set up a special test area construction area in zhaoqing YueGui cooperation in 2018 of 14000 square meters of manufacturing center named ZhaoQing Sheng Xiang electronic technology co., Ltd. Its management technical team has rich experience in cooperating with customers from well-known domestic enterprises and overseas. The design of products can fully follow customer’s needs and services with a good quality control system, and it has been recognized by many famous enterprises as the core suppliers. We look forward to cooperating with you.
|
|
Planar Power EFD20 Transformer 45kHz To 400KHz 60W Images |